Prąd znamionowy:200A
Obowiązujący zakres napięcia:6 V lub 48 V prądu stałego
Zakres temperatur pracy:-40°C do 100°C
Zakres temperatur pracy:-20°C do 70°C
Metoda połączenia:złącze śrubowe/połączenie zaciskowe
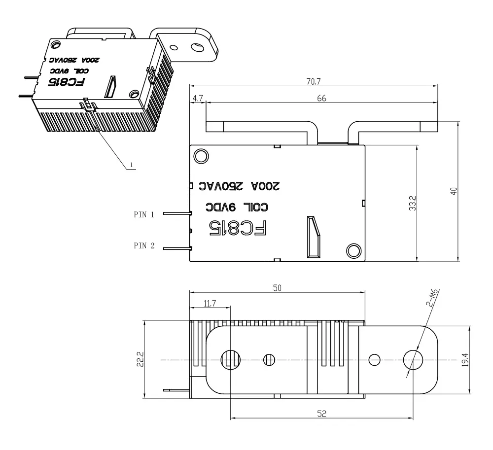
Rozmiar:Zobacz rysunek na stronie szczegółów

















